Desktop Application Projects

Our commitment to innovation extends beyond web platforms to the development of specialized, high-performance software applications designed to solve complex business and industrial challenges.

This section showcases custom solutions we’ve engineered—from optimizing legacy system integration to building real-time data processing engines and cross-platform desktop applications. Each case study details the unique technical hurdles we navigated and the bespoke software features we implemented to significantly improve our clients’ operational efficiency, data analysis capabilities, and internal workflows.

#1
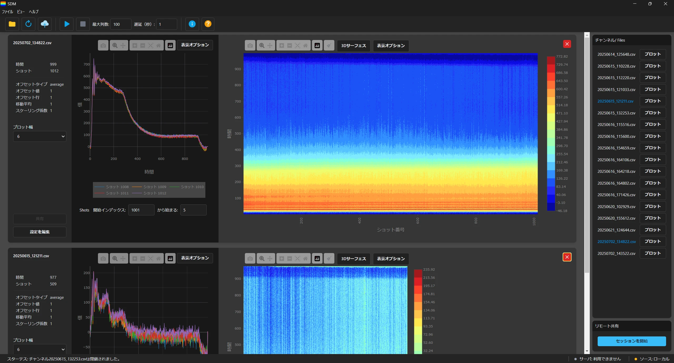
Sensor Data Map (SDM) - Windows Application

Industry: Industrial Manufacturing / Metal Forming
Technology used:
Electron JS Typescript React JS Tailwind CSS
URL: https://sdm.addq.co.jp

Key Challenges & Requirements

The core challenge was building a desktop application capable of transforming massive, continuous sensor data from industrial press machines into a usable, real-time diagnostic tool on standard office PCs.

  • Big Data Processing in Real-Time:

    The primary hurdle was reading and processing sensor data stored in large CSV files (potentially reaching billions of records). The application required real-time plotting and analysis of this data at a high frequency (around 1 second update intervals).
  • Memory & Performance Constraints:

    The solution needed to efficiently read, process, and map this large data volume into a 3D structure within the program’s memory and continuously update the heatmap plot without crashing on normal, non-specialized PCs.
  • Multi-Channel Visualization:

    The client required the ability to display heatmaps from multiple sensing channels simultaneously within the UI to enable clear, cross-channel anomaly detection.
Sensor Data Map (SDM) Software application screenshot

Our Solutions & Technical Implementation

We developed the Sensor Data Map (SDM) application using a modern cross-platform stack, focusing on memory efficiency and visualization fidelity to deliver a robust industrial tool.

  • Electron/React/TypeScript Native Application:

    We created the SDM using Electron JS (packaging React and TypeScript) to deliver a native Windows application that combines robust native access with a modern web-style UI (using Tailwind CSS), ensuring cross-platform potential and developer velocity.
  • Optimized Data Pipeline:

    To overcome the performance challenge, we meticulously optimized the code and implemented memory-efficient 3D data structures within the application memory. We established necessary limits and throttling for the real-time plotting mechanism to prevent application crashes, ensuring stability even during high data ingestion phases.
  • Advanced Multi-Format Reading:

    We added functionality to read different CSV formats from various sensor manufacturers, ensuring the application is versatile and compatible with the client’s existing ecosystem.
  • Intuitive, Multi-Channel UI:

    We leveraged the Plotly JS library to create an intuitive user interface that displays multiple channel heatmaps simultaneously, complemented by detailed 2D graphs for precise analysis of individual production cycles (shots).

Main Features Implemented

The SDM application provides powerful data visualization, analysis, and collaborative features crucial for industrial quality control and diagnostics.

  • Real-Time Multi-Channel Heatmap UI:

    The core feature is the ability to visualize complex sensor data through a multi-channel heatmap UI, enabling engineers to quickly identify production anomalies.
  • High-Performance 3D Data Structure:

    Implementation of a highly optimized 3D data structure ensures the fastest possible update times for real-time plotting and smooth performance on standard hardware.
  • Advanced Data Customization:

    Users can fine-tune data analysis using customized options like Zero-offset, moving average, and scaling to gain better contextual understanding of the sensor readings.
  • Web-Based Lite Version:

    We developed an additional online lite version of the software using React and TypeScript, hosted on the SDM website, allowing external users or sales teams to try the core software features without a full installation.
  • Optional Cloud Collaboration (Add-on):

    Included optional features for secure online cloud storage of data and remote sharing of heatmap data using WebSockets. This allows immediate, real-time data sharing with remote engineering teams while the press machine is actively running.

#2
Hakuyo Pricing Pro - Windows Application

Industry: Manufacturing / ERP Extension
Technology used:
WPF VB.NET MS-Access

Key Challenges & Requirements

The client needed a modern solution to address a crucial business function—precise product cost calculation—that their existing, obsolete MRP (Manufacturing Resource Planning) software could no longer handle efficiently.

  • Legacy System Dependency:

    The core challenge was building an extension for the client’s severely outdated Fujitsu PRONES software, which relied on a Microsoft Access database. The new solution had to interact seamlessly with this legacy database structure.
  • Precise Cost Calculation Complexity:

    The client required a tool capable of precisely calculating the cost price of finished products based on recent raw material prices. Since a single lamp could be composed of more than five distinct items, the solution needed to query multiple MS-Access tables to find and aggregate the most current purchase records for all constituent parts.
  • Estimation and Reporting:

    The application had to facilitate the creation of professional Estimations for selected products and generate them as PDF document in a specific, branded format with the company logo.
Hakuyo Pricing Pro Software application screenshot Hakuyo Pricing Pro Software application screenshot

Our Solutions & Technical Implementation

We developed a custom, secure Windows application that acts as an intelligent layer over the client’s existing database, providing modern features without requiring a costly full-system replacement.

  • Legacy System Wrapper (WPF/VB.NET):

    We created the Hakuyo Pricing Pro application using WPF (Windows Presentation Foundation) and VB.NET. The software functions as a wrapper to the PRONES system, efficiently reading all necessary data from the MS Access database to provide accurate, current product cost analysis.
  • Advanced Cross-Table Query Logic:

    The core functionality was built on sophisticated database querying logic designed to navigate multiple linked MS-Access tables, successfully gathering and calculating the precise cost price of any product based on recent material purchase records.
  • Extended System Search:

    We significantly enhanced system utility by extending the application’s functionality to allow quick searching of core ERP entities, including products, customers, suppliers, and items.
  • Integrated PDF Estimation Generator:

    We added a robust estimation workflow that allows users to select a customer, search for and add items to an estimate, and finally generate a professional PDF estimation that includes the selected customer details and the listed products in the specified company format.

Main Features Implemented

The final application delivers essential business intelligence and workflow automation directly to the client’s desktop.

  • Precise Cost Price Calculation:

    The central feature providing accurate and up-to-date cost prices by analyzing multi-level raw material purchase records within the legacy database.
  • Full-Spectrum ERP Data Search:

    Capability to quickly search and retrieve data for customers, suppliers, items, and products from the consolidated database view.
  • Estimation Workflow Automation:

    Functionality to create, manage, and finalize sales estimations within the application.
  • Branded PDF Report Generation:

    Instant generation of professional PDF estimation documents featuring the client’s branding and layout, ready for customer distribution.